栖凤楼发布信息交流逍遥阁论坛入口,珠海桑拿论坛0756sn,全国信息2025威客,一品阁茶楼论坛官网入口

上海锐誉实业有限公司

技术文章:传感器,安全继电器,PLC等

温湿度变送器YB4201GL产品介绍

一、简介

一、简介

本产品为一般环境用温湿度变送器,采用先进的数字温湿度传感器为传感元件设计开发,产品具有测量准确、工作稳定、使用寿命长等特点。该产品具有温度补偿和线性化处理电路,增加了现场显示功能。产品探头部分采用不锈钢开孔护管,透气性好,且具有良好的防尘功能。 温度、湿度两路4-20mA输出。本产品可应用在工业现场测量、电信基站、办公室、超市、档案室、生产车间、仓库、机房、工地等测量的场合。变送器直流电流输出,可以直接配接二次仪表或采集卡。

??

二、技术参数

基本功能

测量范围

温度:0℃~60℃

湿度:0~RH

测量精度

详见订货型号

稳定性

<1% RH/年,<0.1℃/年

输出信号

4~20mA

显示

LCD 4位显示,尺寸:45.5×17.5mm

技术指标

供电电源

12~24VDC

工作环境

温度:-20℃~70℃

湿度:≤94%RH

功耗

≤2.5W

输出负载

R≤500Ω

安装方式

螺纹安装

 

三、工作原理

本产品为温湿度变送器,内置先进的瑞士原装数字温湿度传感器,通过变送器内部的中央处理器和数模转换器将数字信号转换成4~20mA电流信号输出。方便客户在各种工业现场使用。引线两端通过防水接头连接,确保本产品具有防尘防水功能。

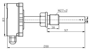
四、安装尺寸

 安装尺寸

五、接线端子定义:

 

接线端子

 

六、注意事项

1、供电电压为12-24VDC

2、不要用力拉扯探头引线。

3、如在90%RH以上湿度条件下测量,注意环境通风,防止探头部分结露,影响测量。

4、未经厂家许可,严禁打开变送器外壳。以防损坏变送器电路。

七、订货型号

选项 货品型号 精度 线长

YB4201GL-10 5.0%RH,0.5℃@25℃ 1.1m 自选 m

YB4201GL-11 3.0%RH,0.4℃@25℃ 1.1m 自选 m

YB4201GL-15 2.0%RH,0.3℃@25℃ 1.1m 自选 m