栖凤楼发布信息交流逍遥阁论坛入口,珠海桑拿论坛0756sn,全国信息2025威客,一品阁茶楼论坛官网入口

上海锐誉实业有限公司

IFM易福门

IN5225电感式双传感器
上海锐誉订购

IN5225电感式双传感器

型 号:
品 牌:IFM易福门
价格-货期:请咨询我司商务
电 话:021-50189957
邮箱:??rymro@sina.com
产品详细信息:

 IN5225电感式双传感器来自德国IFM易福门用于阀门执行器的电感式双传感器 ,型号IND3004DBPKG/US-100-DPV,适用于监控阀门位置
适用于阀门执行器的可靠位置反?。?/p>

 

IN5225电感式双传感器参数说明
工作电压 [V]  10...36 DC
电流损耗 [mA]  15
防护等级  II
反相?;? 是
输出
电气设计  PNP
输出功能  2 x ???br />开关量输出DC电压降最大值 [V]  2.5
开关量输出DC的持续电流负载 [mA]  250
开关频率DC [Hz]  1300
短路保护  是
短路?;だ嘈? 脉冲
过载保护  是
监控范围
感应距离 [mm]  4
实际感应距离 Sr [mm]  4 ± 10 %
工作距离 [mm]  0...3.25
精度/偏差
校正系数  钢: 1 / 特种钢: 0.7 / 黄铜: 0.4 / 铝: 0.3 / 铜: 0.2
迟滞 [Sr的百分比]  1...15
开关点偏移 [Sr的百分比]  -10...10
工作条件
环境温度 [°C]  -25...80
外壳防护等级  IP 67
认证/测试
EMC电磁兼容  
EN 60947-5-2  
EN 55011  等级B
MTTF [年]  1057
UL认证  
Ta  0...40 °C
Enclosure type  Type 1
电源  Unlimited Voltage
文件数量UL  E174191
机械技术数据
重量 [g]  39.6
外壳  矩形的
安装  非齐平安装
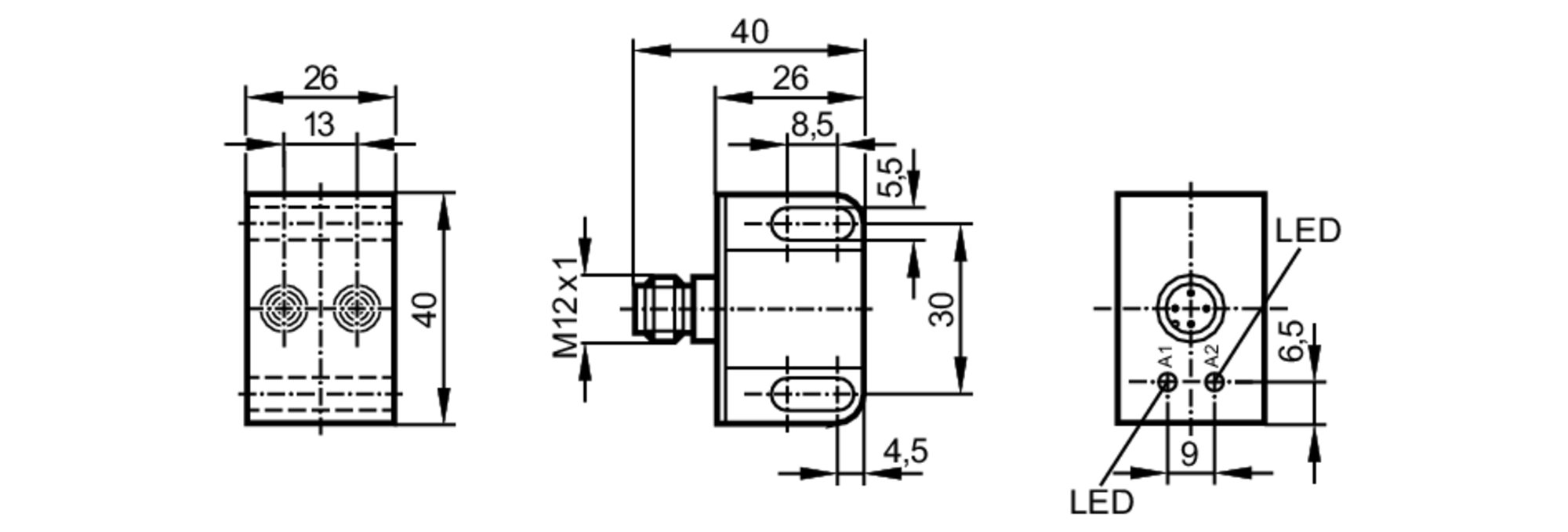
尺寸 [mm]  40 x 26 x 26
原材料  PBT
拧紧扭矩 [Nm]  0.6...1.5; (锁定螺母)
显示器/操作件
显示  
开关状态  2 x LED, 黄色
注释
包装单位  1 件数
电气连接 - 插头
接口  接插件: 1 x M12; 触头: 镀金的

IN5225电感式双传感器??尺寸图