德国steute世德经销-steute开关参数|价格|货期
Actuator AZM 415-B30-01产品详细信息:
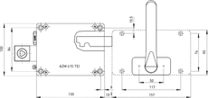
Actuator AZM 415-B30-01
电磁锁附件
物料号: 1184310(旧物料号: 01.08.0319)
特征/选项
适用于所有防护装置类型
铰链半径不可观察
在防护装置上没有把手和杠杆的需求
锁定操作手柄
紧急手柄从防护区内打开防护装置:
1. 按下按钮,2. 转动紧急手柄
剪应力25000 N
SZ 415-1或SZ 415-2可防止误操作
门厚度最大100 mm

注释
带有紧急手柄,铰链门在右侧
操作件内部安装,见图例黄色标记
仅用于与Ex AZM 415 2?/2S-TEI结合
- RF 95 WHM LR SW915 无线位置开关 物料号: 1251505
- RF 95 WH LR SW915 无线位置开关 物料号: 1248377
- RF 95 RL LR SW915 无线位置开关 物料号: 1251308
- RF 95 R LR SW915 无线位置开关 物料号: 1190530
- RF 95 WK LR SW915 无线位置开关 物料号: 1190528
- RF 95 W LR SW915 无线位置开关 物料号: 1190527
- RF 13 DS SW915 无线位置开关 物料号: 1378096
- RF 13 D SW915 无线位置开关





