wenglor威格勒
Wenglor威格勒流量传感器FFAF193真品质唯有真,唯有好价格,唯有好服务,才能留得住你,上海锐誉致力为你提供,更好的价格,更好的服务,期待你的咨询;
FFAF193
产品
流体传感器
流量传感器
FFAF193特征
介质温度 0...60 °C (140 °C 适合24小时无流量测量)
可选测量范围
同档次内高级别的精确度同档次内高级别的精确度
测量不受风向影响
液流与介质温度之间的显示屏可变/可移动
wenglor uniflow流量传感器测量密闭管道系统中含水或含油介质的流速。借助一体显示屏,能够轻松操作uniflow流量传感器。使用清楚可见的切换状态显示屏,能够在进行维护工作时快速固定相关传感器。
FFAF193传感器指定数据
测量范围 15...100 cm/s
设置范围 20...100 cm/s
介质 油
测量偏差 2 %
切换迟滞 5 %
温度梯度 30 K
温度突变响应时间 10 s
环境条件
介质温度 0...60 °C
环境温度 -20...70 °C
耐压强度 60 bar
EMV DIN EN 60947-5-9
冲击强度 DIN IEC 68-2-27 50 g / 11 ms
耐振性 DIN IEC 60068-2-6 20 g (10...2000 Hz)
电气数据
供电电压 16...32 V DC
电流消耗(Ub = 24 V) 60 mA
转换输出端数量 1
模拟输出端 4...20 mA Flow / Temp
响应时间 4...15 s
切换输出端切换电流 < 250 mA
切换输出端压降 < 2 V
电流输出端负载电阻 < 500 Ohm
抗短路 是
反极性保护 是
防护类别 III
机械数据
调整方式 菜单
外壳材料 PBT; PC; FKM
操作面板材料 聚酯
润湿的材料 1.4435; 1.4404; FKM
防护等级 IP67 *
接口类型 M12 × 1;4针
流程连接 M 18×1.5密封锥
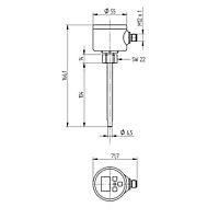
过程连接长度 124 mm
杆长 103,5 mm
安全技术数据
MTTFd (EN ISO 13849-1) 1194,55 a
输出功能
流量/温度模拟输出段(可切换)流量/温度模拟输出段(可切换) 是
PNP常闭触点/??サ悖汕谢唬? 是
* 经过 wenglor 认证
FFAF193 流量传感器接线图:

FFAF193 流量传感器操作面板

FFAF193 流量传感器尺寸

- 上一产品:FFAF192流量传感器感兴趣?
- 下一产品:FFAF205流量传感器内外兼备






